Маркировка и конструкция измерительных рулеток ММС 2401
Переносные трехфункциональные измерительные рулетки MMC 2401 представляет собой быстродействующие и надежные измерительные устройства для определения уровня взлива, уровня раздела фаз и температуры в резервуарах и ёмкостях с химическими веществами и нефтепродуктами.
Маркировка и конструкция измерительных рулеток ММС
Компания MMC предлагает несколько типов трехфункциональных измерительных рулеток (смотрите маркировку рулеток):
- трехфункциональные стандартные рулетки – 2401T (UTI);
- трехфункциональные рулетки для работы с химически активными веществами – 2401S (UTI);
- устройства для определения только уровня раздела фаз – 24012 (Ul);
- устройства для определения только температуры – 2272 – (T).
В зависимости от применения можно выбрать одно из трех доступных исполнений рулеток:
- открытое (F) – для эксплуатации измерительных рулеток MMC на негерметичных резервуарах;
- закрытое (C) – для работы с химически агрессивными жидкостями;
- защищенное (R) – выполнение измерений на закрытых резервуарах.
Измерительные ленты для рулеток выпускаются длиной 15, 25, 30, 37 или 50 метров. В маркировке рулетки длина ленты указана соответствующим числом и буквой М для значения в метрах или только числом (для значения длины в футах).
Одобрение организаций стандартизации и сертификации (если имеется) в наименовании рулетки обозначается соответствующим сокращением:
- FM – общество взаимного страхования производственных объектов;
- BS – Британский стандарт (Британская служба аттестации электрооборудования для работы в воспламеняемой среде);
- CS – Канадская ассоциация стандартов;
- SA – Австралийский стандарт (SAA);
- NKK – стандарт Японии.
Последним в маркировке рулетки указывается тип колонковой трубы для паровых регулирующих клапанов:
- *STD – тип "A", "B", "S" и "U";
- **MM – "MICRO-B" и MMB "MINI MICRO-B";
- ***F50 – "C50" и "F50" клапаны MMC ASIA LTD;
- TS – A2, TS-C2 для герметичных A.2 и C.2 SS клапанов.
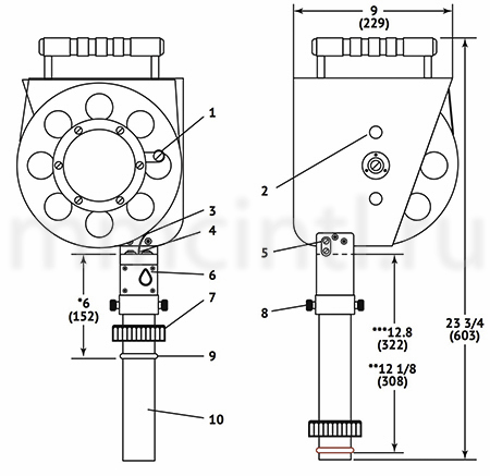
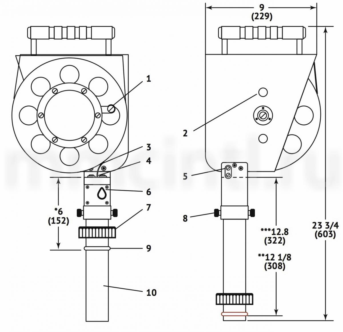
Конструкция измерительных рулеток ММС
На представленном ниже рисунке показаны основные элементы конструкции трехфункциональной рулетки MMC.
- Стопор бобины с лентой
- Лента
- Устройство считывания показаний с ленты
- Заземляющий наконечник
- Сборка для чистки
- Зажимная муфта
- Гайки для присоединения колонковой трубы
- Муфта для крепления клапана
- Колонковая труба
скачать брошюру по переносным трехфункциональным рулеткам MMC







